CROMAX AP PN63 CHECK VALVE 316 4"
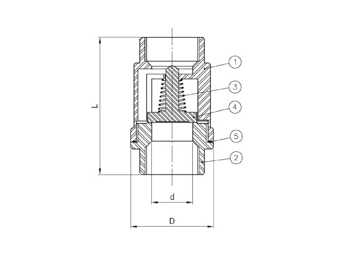
Clapet anti-retour ou clapet de non-retour en ligne pour haute pression, fabriqué en acier inoxydable (inox Aisi 316). Fermeture à ressort et disque en acier inoxydable (inox Aisi 316) avec joint métal sur métal. Connexions filetées femelles selon ISO 7-1 (EN 10226-1). Traitement de surface : grenaillage sur le corps de la vanne et sur le disque. Le clapet anti-retour CROMAX/AP est généralement utilisé dans les installations hydrauliques civiles et industrielles en position de sortie pour des applications haute pression et fonctionne à une pression nominale de service (PN) de 63 bar.
| Pièce | ||
| Quantité | Coût unitaire | |
|---|---|---|
| 1 | 550,47 € | |
| Note : les prix indiqués sont hors TVA | ||























